Un amplificador de transcondutividade operacional (OTA) é un dispositivo analóxico que converte a tensión de entrada en corrente de saída.Este artigo explica o que é un amplificador OTA, como funciona, a súa fórmula básica e a súa configuración de circuíto.Tamén abrangue diferentes tipos de OTA, como se comparan cos amplificadores operacionales e as súas vantaxes, limitacións e aplicacións en circuítos analóxicos modernos.
Catálogo

Figura 1: Amplificador de transcondutividade operacional
Un amplificador de transcondutividade operacional (OTA) é un amplificador analóxico que converte unha tensión de entrada nunha corrente de saída proporcional, polo que se chama amplificador de transcondutividade.A diferenza dun amplificador operacional tradicional, un amplificador OTA produce unha saída de corrente e ten alta impedancia de entrada.Debido á súa estrutura sinxela e á súa compatibilidade con tecnoloxías CMOS e bipolares, o amplificador de transcondutividade operacional úsase amplamente nos circuítos analóxicos modernos.
O principio de funcionamento dun amplificador de transcondutividade operacional (OTA) é sinxelo: converte a diferenza entre dúas tensións de entrada nunha corrente de saída.O amplificador OTA mide esta diferenza de voltaxe e produce unha corrente proporcional.A corrente de saída aumenta a medida que aumenta a tensión de entrada e depende da transcondutividade (gm).Este valor está controlado por unha corrente de polarización, o que permite que o amplificador de transcondutividade operacional axuste a súa ganancia facilmente.Debido a isto, a OTA actúa como fonte de corrente controlada por voltaxe nos circuítos analóxicos.
O modelo matemático e a fórmula OTA describen a relación entre a diferenza de tensión de entrada e a corrente de saída nun amplificador de transcondutividade operacional (OTA).Nun amplificador OTA ideal, a corrente de saída é proporcional á diferenza entre as dúas tensións de entrada, definida pola transcondutividade (gm).
Isto significa que cando a diferenza de tensión de entrada aumenta, a corrente de saída tamén aumenta.O valor de g_m determina a forza desta resposta e afecta directamente a ganancia do amplificador de transcondutividade operacional.
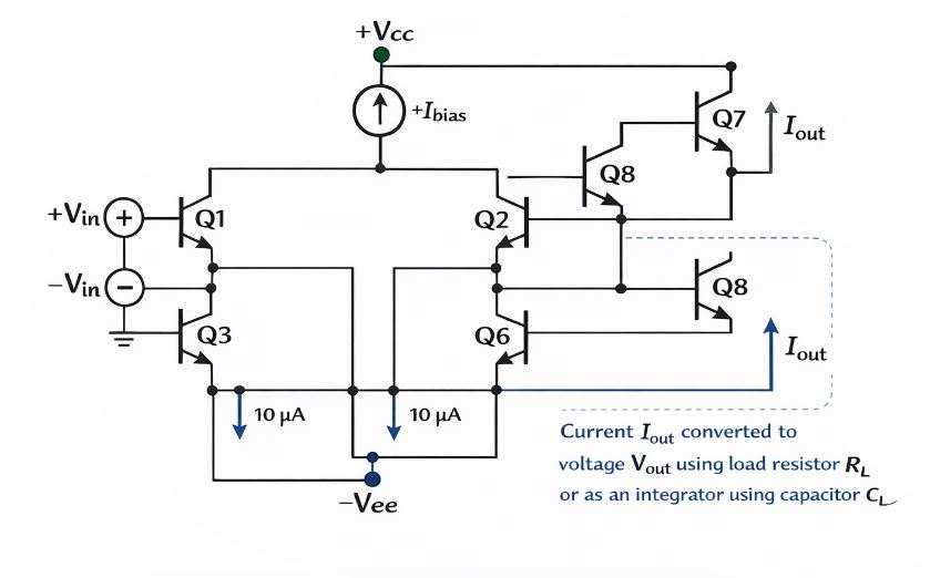
O diagrama de circuíto e a configuración dun amplificador de transcondutividade operacional (OTA) mostra como está conectado o dispositivo para xestionar sinais e producir unha corrente de saída.Un circuíto OTA típico inclúe dous terminais de entrada (V+ e V−), unha entrada de corrente polarizada e un terminal de saída de corrente.

Figura 2: Diagrama de circuíto e configuración da OTA
Os terminais de entrada reciben o sinal, mentres que a corrente de polarización (Ibias) establece o nivel de transcondutividade.A saída (Iout) é un sinal de corrente, que se pode converter nunha tensión usando unha resistencia de carga.Isto fai que a configuración do circuíto OTA sexa fácil de conectar con outros circuítos analóxicos.
OTA bipolar

Figura 3: OTA bipolar
Un amplificador de transcondutividade operacional bipolar constrúese usando transistores de unión bipolar (BJT), que proporcionan alta transcondutividade e boa linealidade.Debido a estas características, este tipo de amplificador OTA é axeitado para aplicacións que requiren un procesamento de sinal preciso e un maior rendemento.
CMOS OTA

Figura 4: CMOS OTA
Un amplificador de transcondutividade operacional CMOS utiliza tecnoloxía MOSFET, polo que é ideal para deseños de baixa potencia e altamente integrados.Este tipo de OTA é moi utilizado na electrónica moderna, especialmente en dispositivos portátiles, debido á súa eficiencia enerxética e tamaño compacto.
Característica
|
Operativo
Amplificador de transcondutividade (OTA)
|
Operativo
Amplificador (amplificador operacional)
|
Básico
Función
|
Converte
tensión de entrada na corrente de saída
|
Converte
tensión de entrada en tensión de saída
|
Tipo de saída
|
Actual
saída (dispositivo en modo actual)
|
Tensión
saída (dispositivo de modo de voltaxe)
|
Gaña Control
|
Controlado por
corrente de polarización (gm)
|
Controlado por
compoñentes de realimentación externos (resistencias)
|
Transcondutividade
(gm)
|
Variable e
axustable
|
Non directamente
usado (concéntrase na ganancia de voltaxe)
|
Flexibilidade
|
Doadamente
sintonizable sen cambiar de circuíto
|
Requírese
cambios de compoñentes externos
|
Entrada
Impedancia
|
Alta entrada
impedancia
|
Moi alto
impedancia de entrada
|
Saída
Impedancia
|
Alta saída
impedancia
|
Baixa saída
impedancia
|
Típico
Aplicacións
|
filtros,
osciladores, amplificadores controlados por voltaxe
|
Sinal
amplificación, comparadores, acondicionamento de sinal
|
Tipo de sinal
|
Baseado na corrente
procesamento de sinal
|
Baseado en voltaxe
procesamento de sinal
|
Uso común
Caso
|
IC analóxico
deseño e circuítos sintonizables
|
Uso xeral
circuítos analóxicos
|
Vantaxes
• Transcondutividade axustable (gm) – O amplificador de transcondutividade operacional (OTA) permite o control da ganancia a través dunha corrente de polarización, o que fai que o amplificador OTA sexa fácil de sintonizar sen cambiar os compoñentes do circuíto.
• Funcionamento en modo actual – O OTA produce unha corrente de saída, polo que é axeitado para o procesamento de sinal analóxico moderno e os deseños de circuítos baseados en corrente.
• Baixo consumo de enerxía – O amplificador OTA normalmente funciona con baixa potencia, o que é ideal para dispositivos electrónicos portátiles e integrados.
• Deseño sinxelo e compacto – O amplificador de transcondutividade operacional ten unha estrutura sinxela, o que facilita a súa integración en CMOS e circuítos bipolares.
• Alta flexibilidade – Debido á súa ganancia sintonizable, o amplificador OTA úsase amplamente en aplicacións como filtros, osciladores e amplificadores controlados por voltaxe.
Limitacións
• Rango lineal limitado – O OTA funciona mellor nun intervalo de entrada pequeno, e exceder este intervalo pode provocar distorsións no sinal de saída.
• Sensibilidade á corrente de polarización e á temperatura – O rendemento do amplificador de transcondutividade operacional pode variar cos cambios na corrente de polarización e na temperatura, afectando á estabilidade.
• Alta impedancia de saída – O amplificador OTA produce unha saída de corrente, polo que son necesarios compoñentes adicionais para convertelo nunha tensión útil.
• Ruído e efectos non ideais – En circuítos prácticos, a OTA pode introducir ruído e outros comportamentos non ideais que poden afectar á precisión.
• Amplificadores controlados por voltaxe (VCA) – O amplificador de transcondutividade operacional (OTA) é moi utilizado para crear amplificadores cuxa ganancia se pode axustar mediante un sinal de control, o que o fai útil nos sistemas de procesamento de audio e sinal.
• Filtros activos (filtros gm-C) – O amplificador OTA úsase habitualmente en deseños de filtros activos, onde a súa transcondutividade axustable permite un control preciso das características do filtro como a frecuencia de corte.
• Osciladores – O OTA utilízase nos circuítos de osciladores para xerar sinais, especialmente cando se require a sintonía de frecuencia mediante o control da corrente de polarización.
• Circuítos de procesamento de sinal analóxico – O amplificador de transcondutividade operacional úsase na computación analóxica e na manipulación de sinal debido á súa capacidade para converter a tensión en corrente.
• Multiplicadores e moduladores – O amplificador OTA pódese utilizar en circuítos que realizan multiplicación e modulación de sinal, importantes nos sistemas de comunicación.
• Control automático de ganancia (AGC) – A OTA úsase nos circuítos AGC para axustar automaticamente a intensidade do sinal e manter niveis de saída consistentes.
• Xeradores de formas de onda – O amplificador de transcondutividade operacional úsase para xerar diferentes tipos de formas de onda en circuítos xeradores de funcións.
O amplificador de transcondutividade operacional (OTA) é un compoñente analóxico útil que converte a tensión en corrente e permite a ganancia axustable a través da transcondutividade (gm).Ten un deseño sinxelo e está dispoñible en diferentes tipos, polo que é adecuado para varias aplicacións de circuítos.Aínda que ten algunhas limitacións, a súa flexibilidade e o seu funcionamento de baixa potencia fan que o amplificador OTA sexa amplamente utilizado en filtros, osciladores e circuítos de procesamento de sinal.
Comparte esta publicación