O módulo de potencia
VUI72-16NOXT
VUI72-16NOXT
IXYS
BRIDGE RECT 3P 1.6KV 75A V1A-PAK
In Stock: 5200 pcs
é un rectificador trifásico cun sensor IGBT de freo incorporado e sensor NTC.Facilita o deseño de sistemas máis pequenos, mellora a eficiencia de refrixeración e asegura un control máis seguro.Neste artigo verás as súas clasificacións, un percorrido de circuíto simple, características principais, usos comúns en unidades e sistemas de enerxía e moito máis.
Catálogo
O
VUI72-16NOXT
VUI72-16NOXT
IXYS
BRIDGE RECT 3P 1.6KV 75A V1A-PAK
In Stock: 5200 pcs
é un módulo de ponte rectificador trifásico cun IGBT de freo integrado, deseñado para o control do motor e as aplicacións do inversor de accionamento fiable e eficiente.Combinando un rectificador e freada de freada nun único paquete compacto, simplifica o deseño do sistema e reduce os requisitos do espazo.Construído cunha placa base de cerámica DCB, o módulo asegura un excelente rendemento térmico, mentres que a parte traseira illada permite montar o disipador de calor sinxelo sen problemas eléctricos.
Con valoracións de ata 1.600 V de tensión inversa repetitiva e 75 unha corrente rectificada media, o VUI72-16noxt ofrece un rendemento robusto para os sistemas de enerxía industrial.Tamén ten baixa caída de tensión adiante, corrente de fuga baixa e un sensor NTC integrado para un control térmico preciso.Capacidade de subida de ata 600 A e operación dentro de -40 ° C a +150 ° C garantir a durabilidade en condicións esixentes, tornándoo ideal para unidades de CA, inversores e sistemas de freada de automóbiles.
Se estás interesado en mercar o VUI72-16NOXT, non dubide en contactar connosco para obter prezos e dispoñibilidade.
O
VUI72-16NOXT
VUI72-16NOXT
IXYS
BRIDGE RECT 3P 1.6KV 75A V1A-PAK
In Stock: 5200 pcs
é fabricado por Ixys Corporation, que pasou a formar parte de Littelfuse, Inc. tras unha adquisición de 750 millóns de dólares completada en 2018. Ixys, fundada en 1983 en California, foi líder en semiconductores de alta potencia como Igbts, Mosfets, Diodes e Módulos integrados, e incluso expandidos a Microcontroladores a través da súa adquisición de Zilog en 2009.Illinois, é un provedor global de protección de circuítos, semiconductores de potencia e control de ICS, integrando a carteira de Ixys na súa división de semiconductores de poder.Como resultado, o VUI72-16NOXT comercialízase baixo a marca Littelfuse, aproveitando décadas de coñecemento de IXYS en electrónica de enerxía industrial co alcance global de Littelfuse e céntrase en solucións fiables e de alto rendemento.
VUI30-12NO1
VUI30-12NO1
IXYS
IGBT Modules
In Stock: 2704 pcs
VUI30-16NO1
VUI30-16NO1
IXYS
IGBT Modules
In Stock: 2886 pcs
VUI70-16N01
VUI70-16N01
IXYS
IGBT Modules
In Stock: 2895 pcs

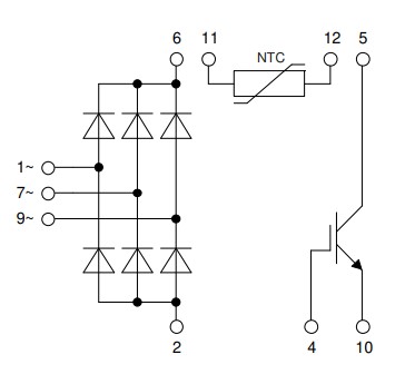
Este diagrama de circuítos representa un módulo de potencia que integra a rectificación, a freada e o control de temperatura nun só paquete.No esquerda, A. ponte rectificadora trifásica conversos Entrada de CA dos pinos 1, 7 e 9 en saída de corrente continua Pins 6 e 2, subministrando a ligazón DC.No dereita, un IGBT cun diodo anti-paralelo, conectado a través Pins 4, 5, 10 e 12, funciona como un picador de freada, disipando o exceso de enerxía rexenerativa nunha resistencia externa cando aumenta a tensión do bus CC.An Sensor interno de temperatura NTC entre os pinos 11 e 12 Ofrece un feedback térmico continuo, permitindo medidas de protección contra o superenriquecido.
• Rectificador trifásico con diodo IGBT + freo - Combina a función rectificadora e a freada, garantindo unha conversión de enerxía eficiente e freada de motor integrada.
• Construción de placas base de cerámica DCB -Mellora o rendemento térmico e mellora a capacidade de ciclismo de potencia para un funcionamento fiable a longo prazo.
• Caída de tensión e fuga de baixa tensión - Reduce as perdas de condución cunha corrente de fuga mínima para unha maior eficiencia enerxética.
• Sensor de temperatura NTC integrado
- Monitorea a temperatura do módulo internamente, mellorando a seguridade e a fiabilidade do sistema baixo carga.
• Deseño de paquetes compactos V1A-Pak -Montaxe estándar de soldadura con ~ 17 mm de altura para unha integración cómoda e compacta.
• Alto rendemento de clasificacións eléctricas - Soporta 1.600 V rectificador, 75 unha corrente continua e 600 A capacidade de sobretensión.
• Resistencia térmica optimizada -Unión a caso RTH ≈ 1,1 K/W e caso-a-Heatsink ≈ 0,3 K/W.
• Traseira illada eléctricamente - Permite a montaxe directa do disipador de calor sen necesidade de capas de illamento adicionais para a seguridade.
• Integración estándar compatible con ROHS -Cumpre as normas ambientais ao tempo que ofrece un esquema estándar da industria e unha compatibilidade do sistema fácil.
• Inverteiros de accionamento e sistemas de accionamento de motor -Actúa como un rectificador front-end e a unidade de freo, convertendo a CA en DC de forma eficiente.
• Equipos de automatización industrial - Powers servo, motores de indución, robótica, transportadores e maquinaria de proceso con rectificación fiable e freada.
• Sistemas enerxéticos renovables e híbridos - Xestiona a conversión e a freada/dumping de exceso de enerxía nas configuracións de enerxía solar, vento ou híbrido.
• Condicionamento de enlace DC e fontes de alimentación - Admite circuítos de chopper con rectificación e freada controlada para o funcionamento estable de DC.
• Sistemas de control de climatización e ascensores - Ofrece un control de motor eficiente, freada e regulación de accionamento suave en ascensores e unidades de climatización.
• Grúas e equipos de elevación - Asegura a freada segura e o manexo de enerxía controlado durante as operacións pesadas de levantamento e baixada.
• Infraestrutura de carga de vehículos eléctricos - Converte AC a DC de forma eficiente e soporta a retroalimentación de enerxía controlada durante a freada rexenerativa.
• Sistemas de potencia UPS e copia de seguridade - Mantén a rectificación e a freada para estabilizar os enlaces DC e protexer os equipos sensibles.
• Unidades de tracción e ferrocarril - Ofrece unha conversión de enerxía robusta e freada para trens, tranvías e locomotoras eléctricas.
• Bombas e compresores - Permite o control preciso do motor e a freada na manipulación de líquidos industriais e as aplicacións de compresión de aire.
Símbolo
|
Definición
|
Condicións
|
Min.
|
TIPO.
|
Máx.
|
Unidade
|
VRSM
|
máx.Reverso non repetitivo
tensión de bloqueo
|
TVJ = 25 ° C.
|
-
|
-
|
1700
|
V
|
VRRM
|
máx.bloqueo inverso repetitivo
tensión
|
TVJ = 25 ° C.
|
-
|
-
|
1600
|
V
|
IR
|
corrente inversa
|
VR = 1600 V, TVJ = 25 ° C
|
-
|
-
|
40
|
µa
|
VR = 1600 V, TVJ = 150 ° C
|
-
|
-
|
1.5
|
Ma
|
VF
|
caída de tensión cara adiante
|
IF = 25 A, TVJ = 25 ° C
|
-
|
-
|
1.10
|
V
|
IF = 75 A, TVJ = 25 ° C
|
-
|
-
|
1.38
|
V
|
IF = 25 A, TVJ = 125 ° C
|
-
|
-
|
1.01
|
V
|
IF = 75 A, TVJ = 125 ° C
|
-
|
-
|
1.37
|
V
|
IDav
|
corrente de saída da ponte
|
TC = 110 ° C, TVJ = 150 ° C,
rectangular d = 1/3
|
-
|
-
|
75
|
A.
|
VF0
|
Tensión do limiar (para perda de enerxía
Só cálculo)
|
TVJ = 150 ° C.
|
-
|
-
|
0,79
|
V
|
rF
|
Resistencia á pendente (por perda de enerxía
Só cálculo)
|
TVJ = 150 ° C.
|
-
|
-
|
7.7
|
MΩ
|
RThjc
|
unión de resistencia térmica a
caso
|
-
|
-
|
-
|
1.1
|
K/W.
|
Rthch
|
caso de resistencia térmica a
disipador de calor
|
-
|
-
|
0,3
|
-
|
K/W.
|
PTot
|
Disipación total de potencia
|
TC = 25 ° C.
|
-
|
-
|
110
|
W
|
IFSM
|
máx.corrente de sobrecarga cara adiante
|
t = 10 ms;(50 Hz) Sine, TVJ =
45 ° C.
|
-
|
-
|
600
|
A.
|
t = 8,3 ms;(60 Hz) Sine, VR = 0
V
|
-
|
-
|
650
|
A.
|
t = 10 ms;(50 Hz) Sine,
TVJ = 150 ° C.
|
-
|
-
|
510
|
A.
|
t = 8,3 ms;(60 Hz) Sine, VR = 0
V
|
-
|
-
|
550
|
A.
|
I²t
|
valor para a fusión
|
t = 10 ms;(50 Hz) Sine, TVJ =
45 ° C.
|
-
|
-
|
1,80
|
ka²s
|
t = 8,3 ms;(60 Hz) Sine, VR = 0
V
|
-
|
-
|
1,76
|
ka²s
|
t = 10 ms;(50 Hz) Sine,
TVJ = 150 ° C.
|
-
|
-
|
1.30
|
ka²s
|
t = 8,3 ms;(60 Hz) Sine, VR = 0
V
|
-
|
-
|
1.26
|
ka²s
|
CJ.
|
Capacitancia de unión
|
VR = 400 V;F = 1 MHz, TVJ = 25 ° C
|
-
|
19
|
-
|
pf
|
Vantaxes
•Alto nivel de integración: Combina a ponte rectificadora e o diodo IGBT + de freo, reducindo o número de compoñentes e o deseño simplificador.
• Excelente rendemento térmico: A placa base de cerámica DCB mellora a condución da calor e mellora a fiabilidade do ciclismo de potencia.
•Pérdidas de condución baixas: Caída de tensión cara adiante moi baixa e corrente de fuga mínima reduce as perdas de enerxía do sistema global.
• Sensor de temperatura NTC integrado: Ofrece un control interno de temperatura para unha maior protección e xestión térmica.
•Traseira illada eléctricamente: Habilita a montaxe de disipador de calor seguro sen necesidade de capas de illamento adicionais.
•
Deseño estándar compatible con Rohs: Cumpre as normas ambientais ao tempo que ofrece compatibilidade cos esquemas e pegadas da industria.
Desvantaxes
•Restricións térmicas: Unión a caso (≈1,1 K/W) e resistencias de caso (≈0,3 K/W) limitan os deseños de alta potencia.
• Capacidade de aumento limitado: Admite 600 A SURGE só por duras curtas, subliñando o módulo baixo cargas transitorias pesadas.
•Comercio de flexibilidade de deseño: Rectificador integrado e freo evitan a escala independente ou a substitución de submódulos.
•Restricións de paquetes: A disposición de pin fixa e a altura do módulo ~ 17 mm restrinxen aplicacións ultra-compacto ou de baixo perfil.

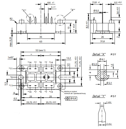
Este esquema de paquetes proporciona as dimensións físicas e os detalles de montaxe para a adecuada integración nun sistema.O módulo ten unha pegada rectangular compacta que mide aproximadamente 63 mm de lonxitude e 31,6 mm de ancho, con a altura total duns 15,8 mm, facéndoo adecuado para asembleas densas.O espazo entre os pinos, a disposición e o grosor están claramente definidos para garantir conexións de soldadura e eléctricas correctas, mentres que características como a Tolerancia de altura de 4,6 mm e 0,5 mm O grosor do terminal permite un manexo fiable.Os buracos de montaxe, posicionados con precisión a un espazo entre 52 mm con detalle de mostrador, garanten o apego seguro a disipadores de calor ou chasis mantendo a presión uniforme para protexer o substrato DCB.Detalles adicionais, como o Platness máximo de 0,25 mm e illamento posterior, admite un contacto térmico adecuado e illamento seguro.
• Superenriquecido: Pode reducir a fiabilidade;Mitigar con disipadores de calor eficientes, materiais de interface térmica de calidade e control baseado en NTC.
• Correntes transitorias: Pode superar os 600 a cualificación de aumento;Use limitadores de entrada, circuítos de inicio suave, snubbers ou fusibles protectores.
• Sourcing limitado: Marcado obsoleto por Litelfuse;O stock seguro, planea alterna e valide as referencias cruzadas con especificacións similares.
• Gate Drive ou Cambiar a tensión: A unidade incorrecta pode danar o IGBT;Aplique resistencias correctas de porta, use Snubbers e respecta as clasificacións de tensión do condutor.
•Problemas de montaxe: O exceso de aliñación ou a desalineación pode rachar DCB;Siga o par, o aliñamento e o aumento das mellores prácticas.
• Degradación do illamento eléctrico: O illamento posterior pode degradarse baixo o estrés;Asegúrese de fluír, despexe e evite os contaminantes ou os danos.
• Estrés DV/DT elevado: A conmutación rápida pode inducir a EMI e o illamento do estrés;mitigar con snubbers, filtros e esquema optimizado.
• Humidade e exposición ambiental: A humidade ou o po poden reducir a resistencia ao illamento;Aplique revestimento ou uso conformal en recintos controlados.
• Envellecemento e fatiga en ciclismo de potencia: Ciclos repetidos de tensión de tensión e substrato;Deseño dentro das clasificacións de toda a vida e deriva para a marxe de seguridade.
• Escalabilidade limitada: A integración do rectificador e do freo reduce a flexibilidade;Considere alternativas modulares se se necesita unha escala independente.
Parámetro
|
VUI72-16NOXT
VUI72-16NOXT
IXYS
BRIDGE RECT 3P 1.6KV 75A V1A-PAK
In Stock: 5200 pcs
|
VUI30-12N1
|
Funcionalidade
|
Rectificador trifásico + freo
IgBT & Diode (ponte + unidade de freo)
|
Módulo rectificador trifásico (para
Uso de PFC / rectificador)
|
Tensión inversa de pico (rectificador)
|
1.600 v
|
1.200 V.
|
Corrente rectificada media
|
75 a
|
~ 30 a
|
Freo IgBT / picador
|
Si, integrado (1200 V IgBT)
|
Non incluído (sen integrado
freo)
|
Caída de tensión adiante (rectificador)
|
~ 1,38 V típico
|
Non especificado claramente;Baixa
A corrente implica perdas máis baixas
|
Capacidade de actualidade / pico
|
600 A (non repetitivo)
|
Inferior, consistente con 30 unha clase
|
Temperatura de funcionamento / unión
|
–40 a +150 ° C
|
–40 a +125 / +150 ° C
|
Resistencia térmica
(unión a caso)
|
~ 1,1 K/W.
|
Específico de follas de datos, probablemente inferior
debido ao tamaño menor
|
Paquete / montaxe
|
V1a-pak, terminais de soldadura,
base DCB illada
|
Módulo con DCB, montaxe de soldadura,
base illada
|
Aplicacións típicas
|
Unidades / inversores que precisan
freada, control de motor, manexo de enerxía rexenerativa
|
Rectificación trifásica, PFC
etapas, subministración de enlace DC
|
O
VUI72-16NOXT
VUI72-16NOXT
IXYS
BRIDGE RECT 3P 1.6KV 75A V1A-PAK
In Stock: 5200 pcs
é unha elección compacta e fiable para as unidades motoras e enlaces DC grazas ao seu deseño todo en un e á construción térmica sólida.Aínda así, ten en conta que agora está obsoleto, polo que planifique o abastecemento e considere as alternativas listadas cando sexa necesario.Siga os consellos de montaxe, refrixeración e protección para mantelo seguro e eficiente.Use as especificacións e a táboa de comparación para que coincida coa parte coas necesidades de poder e espazo.
Folla de datos PDF
VUI72-16NOXT Follas de datos:
VUI72-16NOXT Detalles PDF para Fr.PDFVUI72-16NOXT Detalles PDF para KR.PDFVUI72-16NOXT Detalles PDF para DE.PDFVUI72-16NOXT Detalles PDF para It.pdfVUI72-16NOXT Detalles PDF para es.pdf
Comparte esta publicación