Un circuíto de abrazadeira é un circuíto electrónico sinxelo que se usa para cambiar un sinal cara arriba ou abaixo sen cambiar a súa forma.Utiliza compoñentes básicos como un díodo e un capacitor.Este artigo explica como funciona, os seus tipos, análises, vantaxes, aplicacións, problemas comúns e como se diferencia dos circuítos clipper.
Catálogo

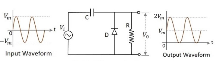
Figura 1. Circuíto de pinzas
Un circuíto de abrazadeira é un circuíto electrónico que cambia un sinal cara arriba ou abaixo sen cambiar a súa forma engadindo unha compensación de CC.Usa un díodo para controlar o fluxo de corrente e un capacitor para almacenar tensión.Durante o funcionamento, o capacitor carga e mantén a tensión, o que move toda a forma de onda.Un clamper positivo desvía o sinal cara arriba, mentres que un clamper negativo desprázao cara abaixo.

Figura 2.Como funciona un circuíto de pinzas?
A O circuíto de abrazadeira funciona cambiando un sinal cara arriba ou abaixo utilizando un díodo e un capacitor.Cando se aplica o sinal de entrada, o díodo acende durante unha parte do ciclo e permite que o capacitor se cargue ata a tensión máxima.O capacitor almacena esta tensión.
Cando o sinal cambia, o díodo apágase e impide que o capacitor se descargue rapidamente.A continuación, o capacitor actúa como unha pequena batería e engade a súa tensión almacenada ao sinal de entrada.Isto cambia toda a forma de onda cara arriba ou abaixo sen cambiar a súa forma.Un clamper positivo desvía o sinal cara arriba, mentres que un clamper negativo desprázao cara abaixo.
Constrúese un circuíto de abrazadeira utilizando algúns compoñentes básicos que traballan xuntos para cambiar o sinal:
• Diodo - Controla a dirección do fluxo de corrente.Accende e apaga durante diferentes partes do ciclo do sinal, axudando a cargar o capacitor.
• Capacitor - Almacena carga eléctrica (tensión).Esta tensión almacenada é a que despraza toda a forma de onda cara arriba ou abaixo.
• Resistencia (opcional pero común) - Controla a rapidez con que se carga e descarga o capacitor, mellorando a estabilidade do circuíto.
• Sinal de entrada (fonte CA) - O sinal que se cambia.A pinza engade un nivel de CC a este sinal sen cambiar a súa forma.

Figura 3.Abrazadera Positiva
Desplaza o sinal cara arriba para que a forma de onda quede por encima dos cero voltios cargando o capacitor durante o medio ciclo negativo e engadindo esta tensión para elevar o sinal.

Figura 4.Abrazadera Negativa
Desplaza o sinal cara abaixo para que a forma de onda quede por debaixo dos cero voltios cargando o capacitor durante o medio ciclo positivo e baixando o nivel de sinal.

Figura 5.Abrazadera positiva sesgada
Despraza o sinal cara arriba a un nivel fixo por riba de cero mediante unha fonte de voltaxe engadida, que establece canto se eleva a forma de onda.

Figura 6.Abrazadera negativa sesgada
Despraza o sinal cara abaixo a un nivel fixo por debaixo de cero mediante unha fonte de tensión engadida, que controla ata que punto o sinal se despraza cara abaixo.

Figura 7.Abrazadera combinada (dual).
Usa varios díodos para controlar ou cambiar os dous lados do sinal a niveis de tensión específicos, limitando o que pode chegar a alta ou baixa a forma de onda.
• Deseño sinxelo – Utiliza só un díodo e un capacitor, polo que é fácil de construír, de baixo custo e de mantemento.
• Sen cambios na forma da onda – Cambia o sinal sen cambiar a súa forma, frecuencia ou amplitude, polo que o sinal orixinal permanece intacto.
• Axuste de nivel de CC – Engade ou restaura facilmente o nivel de CC dun sinal, axudando aos circuítos a traballar coa tensión correcta.
• Baixo consumo de enerxía – Require moi pouca potencia para funcionar xa que utiliza compoñentes pasivos.
• Útil no procesamento de sinal
– Axuda a preparar sinais para as seguintes etapas dos circuítos electrónicos, especialmente nos sistemas de comunicación.
• Mellora a calidade do sinal – Mantén niveis de tensión adecuados, reducindo a distorsión e garantindo unha transmisión precisa do sinal.
• Compacto e eficiente – Require poucos compoñentes, polo que é de pequeno tamaño e funciona de forma eficiente en circuítos.
• Paso 1: Identifica o tipo de circuíto
Comprobe se o circuíto é unha abrazadeira positiva, negativa ou polar para coñecer a dirección do cambio da forma de onda.
• Paso 2: Observe a dirección do diodo
Mira como está conectado o díodo, xa que determina durante que medio ciclo conducirá o díodo.
• Paso 3: Asume as condicións ideais
Supoña que o díodo é ideal (ON = curtocircuíto, OFF = circuíto aberto) a non ser que se especifique unha caída de tensión.
• Paso 4: o diodo acende
Durante un medio ciclo, o díodo pasa a polarización cara adiante e comeza a conducir.
• Paso 5: cargas dos condensadores
Mentres o díodo está ON, o capacitor cárgase rapidamente ata o valor máximo do sinal de entrada.
• Paso 6: o diodo apaga
No seguinte medio ciclo, o díodo pasa a polarización inversa e deixa de conducir.
• Paso 7: O condensador mantén a carga
O capacitor mantén a súa tensión almacenada e actúa como unha fonte de tensión temporal.
• Paso 8: a tensión combinada coa entrada
A tensión do capacitor súmase ou resta do sinal de entrada dependendo da polaridade.
• Paso 9: cambios de forma de onda de saída
Toda a forma de onda desprázase cara arriba (abrazadeira positiva) ou cara abaixo (abrazadeira negativa).
• Paso 10: a forma segue a ser a mesma
A forma, a frecuencia e a amplitude da forma de onda permanecen igual, só cambia o seu nivel de CC.
• Paso 11: comproba a constante de tempo
Asegúrese de que a constante de tempo RC sexa grande para que o capacitor non se descargue significativamente durante un ciclo.

Figura 8.Aplicacións dos circuítos de pinzas en electrónica
• Cambio de nivel de sinal
Utilízase para mover os sinais ao nivel de tensión necesario sen cambiar a súa forma, polo que coincidan co rango de entrada doutros circuítos.
• Circuítos de TV e vídeo
Axuda a restaurar o nivel correcto de CC nos sinais de vídeo, garantindo imaxes claras e estables na pantalla.
• Sistemas de comunicación
Prepara e acondiciona os sinais antes da transmisión, contribuíndo a mellorar a precisión e fiabilidade do sinal.
• Procesamento de formas de onda
Úsase en circuítos nos que a forma de onda debe permanecer igual mentres se axusta a súa posición.
• Multiplicadores de tensión
Funciona con díodos e capacitores para aumentar os niveis de tensión nos circuítos de alimentación.
• Circuítos de osciloscopios
Axuda a estabilizar os sinais para que se poidan mostrar de forma clara e correcta na pantalla.
• Circuítos de corte e suxeición
Funciona xunto cos circuítos do clipper para controlar e axustar os niveis de tensión do sinal.
• Nivel de suxeición incorrecto → A forma de onda non cambia correctamente debido a valores de compoñentes incorrectos, polo que se selecciona o capacitor e o díodo correctos soluciona o problema.
• O condensador descarga demasiado rápido → A forma de onda non mantén o seu nivel porque o capacitor perde carga rapidamente, polo que o uso dun capacitor máis grande ou unha maior resistencia axuda.
• O diodo non funciona correctamente → O circuíto non se engancha se o díodo está danado ou está mal conectado, polo que é necesario unha orientación e substitución adecuadas.
• Forma de onda distorsionada → O sinal de saída faise desigual debido á selección inadecuada dos compoñentes, polo que o uso de valores correctos e pezas de boa calidade mellórao.
• Caída de tensión no diodo → A tensión de saída é inferior á esperada debido á caída do díodo, polo que usar un díodo de baixa tensión directa pode reducir este efecto.
• Ruído no sinal de saída → O sinal pode conter ruído non desexado debido a unha mala conexión a terra ou interferencia, polo que unha mellor conexión a terra e filtrado pode solucionalo.
• Polarización incorrecta (abrazaderas polarizadas) → O sinal cambia incorrectamente debido a unha tensión de polarización incorrecta, polo que axustar a fonte de polarización ao nivel correcto soluciona o problema.
Característica
|
Pinza
Circuíto
|
Clipper
Circuíto
|
Función
|
Cambia toda a forma de onda cara arriba ou
abaixo engadindo un nivel de CC
|
Corta (clips) partes do
forma de onda por encima ou por debaixo dun nivel establecido
|
Forma de onda
|
A forma permanece inalterada, só
cambios de posición
|
A forma está alterada porque os picos
son eliminados ou aplanados
|
Finalidade
|
Axusta ou restaura o nivel de CC
dun sinal
|
Limita a tensión a protexer
circuítos ou sinais de forma
|
Compoñentes utilizados
|
Usa diodos, capacitores e
ás veces unha resistencia
|
Usa diodos e resistencias,
ás veces cunha tensión de referencia
|
Sinal de saída
|
Consérvase a forma de onda completa e
desprazado verticalmente
|
Elimínase parte da forma de onda,
cambiando o seu aspecto
|
Principio de funcionamento
|
O capacitor almacena tensión e engade
ao sinal de entrada
|
O diodo bloquea ou pasa o sinal
en función do nivel de tensión
|
Aplicacións
|
Usado no cambio de sinal,
comunicación e circuítos de vídeo
|
Usado en circuítos de protección,
limitación de voltaxe e conformación da forma de onda
|
Os circuítos de pinza son útiles para axustar os niveis de tensión do sinal mantendo a forma de onda sen cambios.Son sinxelos, eficientes e moi utilizados en sistemas electrónicos e de comunicación.Comprender o seu funcionamento, tipos e problemas comúns axuda a deseñar circuítos mellores e máis fiables para diferentes aplicacións.
Comparte esta publicación